Features
Technical Characteristics
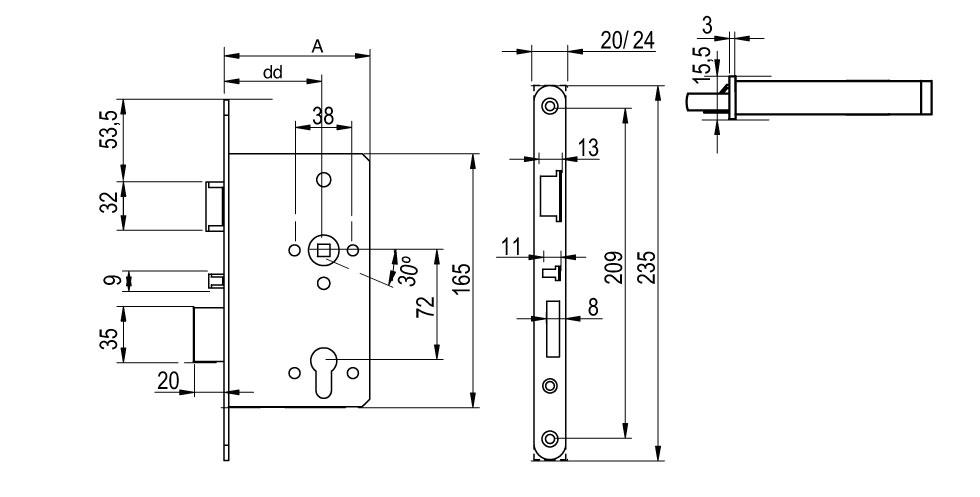
Technical Drawing
Certifications
With Salto MyLock is easy, select a model, door type and customize your electronic lock with a broad range of colours, finishes, handles & functions.